icon-arrow_lefticon-arrow_righticon-checkboxicon-checkbox_checkedKurir_icon_fonts_template-09icon-hearticon-info_miniicon-locationicon-mailicon-printicon-reporticon-searchicon-starKurir_icon_fonts_template-07icon-usericon-zoominfo-boubleicon-strokeHeart

Suzuki Samuraj Kociona Klesta Prednja Desno 81-04,NOVO

Oceni:

Tehnički podaci

  • Tip delova Rezervni delovi
  • Kategorija Kočnice

Oprema

  • Model - Suzuki Samuraj Kociona Klesta Prednja Desno 81-04,NOVO

Poreklo i istorija vozila

  • Zamena Ne

Opis

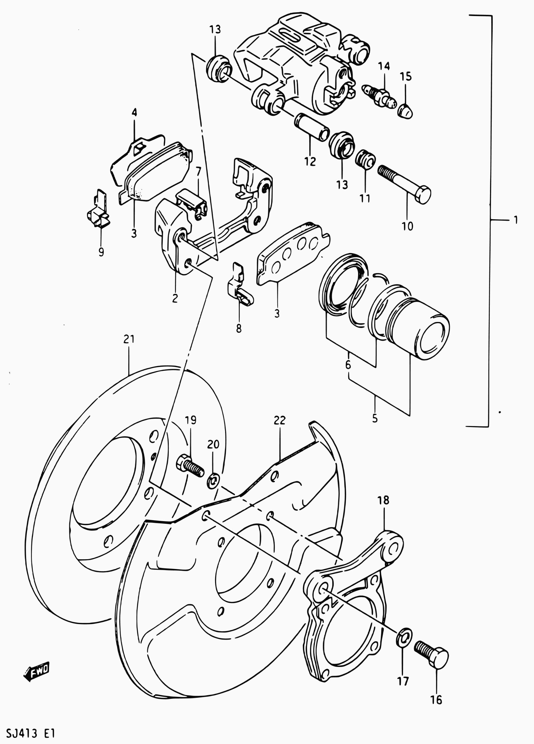
Suzuki Samuraj Kociona Klesta Prednja Desno 81-04,NOVO
Kociona klesta na slici obelezena brojem 1!
O.E 5510070A01

Prečnik klipa [mm] : 51

064/ 073-72-79!
064/17-55-654!

ivandimcic8@gmail.com

Vaši favoriti ()